登录
|
注册
|
用户中心
|
退出
手机版
微信公众号
无障碍浏览
长者浏览
锡林郭勒盟行政公署
首页
盟情
资讯
政务
办事
互动
数据
专题
首页
盟情
资讯
政务
办事
互动
数据
专题
当前位置:
首页
>
专题
>
2025年锡林郭勒盟政府网站年报
>
行署部门
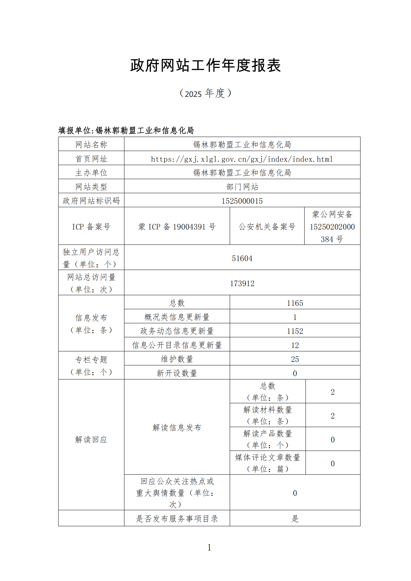
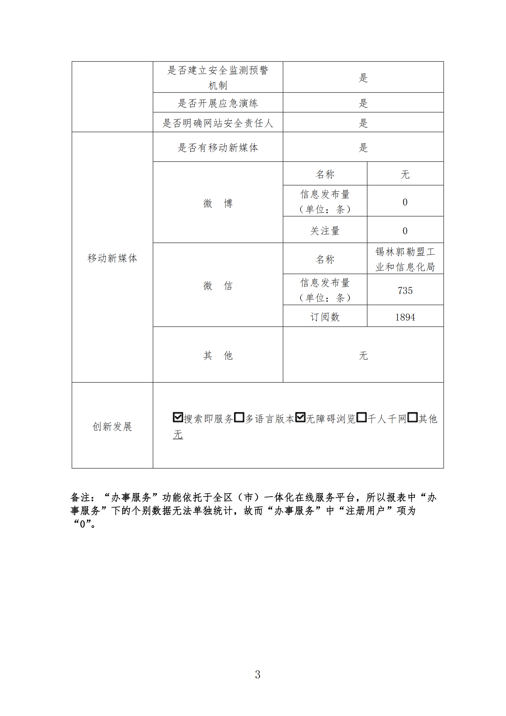
盟工业和信息化局
发布时间:2026-01-06 18:24 来源:锡林郭勒盟工业和信息化局
浏览次数:
【字体:
大
中
小
】
相关文件/解读
关注锡林郭勒盟政务门户网
微信
微信扫一扫:分享
微信里点“发现”,扫一下
二维码便可将本文分享至朋友圈。
微信扫一扫:分享
微信里点“发现”,扫一下
二维码便可将本文分享至朋友圈。
微信扫一扫:分享
微信里点“发现”,扫一下
二维码便可将本文分享至朋友圈。
微信扫一扫:分享
微信里点“发现”,扫一下
二维码便可将本文分享至朋友圈。
微信扫一扫:分享
微信里点“发现”,扫一下
二维码便可将本文分享至朋友圈。
微博
Qzone
打印
保存
中国政府网
内蒙古自治区人民政府
锡林郭勒盟人大工委
锡林郭勒盟行署
锡林郭勒盟政协
旗县
行署部门
中直区直
事业单位
党群机关
盟市网站
请使用CTRL+S保存网页
(Mac用户使用Command+S保存)
确认